menu

Afstrijkers

Een afstrijker, ook wel wiper, scraper, schraper of axcluder genoemd, is een onderdeel dat wordt gebruikt in hydraulische en pneumatische systemen om te voorkomen dat vuil, stof, vocht of andere verontreinigingen het systeem binnendringen. De afstrijker veegt vuil van de stang of as af bij het in- en uitgaan van de cilinder. Dit helpt het systeem schoon te houden en verlengt de levensduur van afdichtingen en het gehele systeem aanzienlijk.

Materialen

NBR, Viton, EPDM, Polyurethaan (PU), Polyacetaal (POM), PTFE (Teflon), UHMW-PE, RVS (Roestvast Staal), Messing

Toepassingen

Hydraulische cilinders, Pneumatische cilinders

/upload/737/var/afstrijker-wiper-2 (1).jpg

Afstrijkers (Schrapers)

Afstrijkers worden gebruikt in pneumatische en hydraulische cilinders. Ze hebben als functie om vuil, vocht en andere verontreinigingen van de zuigerstang te verwijderen. Wanneer de zuigerstang terug in het systeem beweegt, voorkomt de afstrijker dat vuil binnendringt. Zo wordt schade aan de stang, cilinderwand en andere componenten voorkomen.

Daarnaast voorkomt de afstrijker voortijdige storingen en draagt hij bij aan een langere levensduur van de cilinder. Ondanks deze belangrijke functie wordt de afstrijker vaak onderschat.

Bij het selecteren van de juiste afstrijker is het essentieel om te letten op het profiel, de omgevingsfactoren, de bewegingssnelheid en de temperatuur.

De meest voorkomende afstrijkers zijn enkelwerkend, waarbij het element uitsluitend dient als afstrijker. Daarnaast bestaan er dubbelwerkende afstrijkers (combi wipers), die zowel als stangafdichting als afstrijker functioneren.

Afstrijkers zijn leverbaar voor zowel open als gesloten groeven.

 

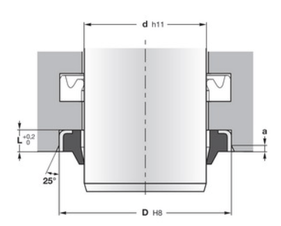
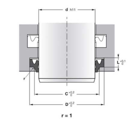
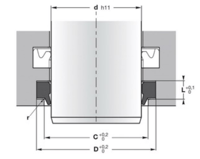
Afstrijker afmetingen:

Wanneer je de maat van uw afstrijker wilt bepalen zijn er een aantal factoren belangrijk:

De Buiten en binnendiameter van de cilinder. De groeflengte en de hoogte van de afstrijker.

(Soms komt het voor dat uw afstrijker meerder hoogtes heeft )

Open Groef

Gesloten Groef

Gesloten Groef Dubbelwerkend

 

 

Maatwerk afstrijkers:

Het kan soms voorkomen dat uw maat niet meer leverbaar is. Wij produceren ook maatwerk afstrijkers.

Met behulp van een productiemachine hebben wij de mogelijkheid om maatwerk afstrijkers te leveren.

Door middel van een groot data aan profielen kunnen wij uw gewenste afstrijker snel leveren.

Daarvoor is er natuurlijk ook een groot scala aan materialen beschikbaar.

 

Materiaal Afstrijkers

De afstrijkers zijn veelal beschikbaar in de materialen NBR, Polyurethaan, FKM (Viton) en PTFE.

Bij dit laatste materiaal is er sprake van een PTFE ring die geactiveerd wordt door één of twee O-ringen.

Bij de materialen NBR, PU en FKM zijn er ook versies beschikbaar met een metalen kern of een metalen mantel.

 

Crossreferentielijst

Techniparts BV

Materiaal

Anyseals

Freudenberg

Hallite

Dichtomatik

Trelleborg

Parker

Sealtech

Kimman

FPE Seals

NBR WS-10 P6 33 AE 40 WRM A5 WRM WSM -
PU WS-10 PU6 831 AE 42 WRM A5 WRM-P WSM-P MSWE
NBR WS-11 ASOB - AE 41 ASW A1 DSR DP8-H9 -
PU WS-11 AU ASOB 834 AE 47 ASW A1 DSR/P DP8-PU1 MSWS
Polyester WS-17 - 38 AE 38 - - WRM-H WSM/HP MW38
NBR - Metaal WS-20 AS 37 AD 51 WSA AM GA DAS-H9 MCWN
NBR - Metaal WS-21 P7 32 AD 53 - - GA/R RS-H9 -
PU - Metaal WS-22 AUAS 860 AM 43 WRM-PC - PW P/DAS MCWE
PU - Metaal WS-23 AUPS 862 AM 54 SWP *AF* SWP SWP-PUR MCWI
NBR WS-D14 P8 - AD 51 DA17 - DSR/UP DA17-N90 MSWHN
PU WS-D14 PU8 - - DA17 - - - -
NBR WS-D15 P9 839N AD 53 DA22 AY UWR UWR -
PU WS-D15 PU 11 839 AD 48 DA22 AY UWR/P UWR/P MSWH
NBR - Metaal WS-D24 - - ADM 55 - - PW - -
PU - Metaal WS-D24 - - - - - PW/U DAS/SCB/PU MCKBI
 PTFE / NBR WS-30 - - A 80 Excluder - - - -
PTFE / NBR WS-D31 - E2W AD 60 Excluder 2 - WE 3 TF 157 MWTF
PTFE / NBR WS-D32 - A5W AD 61 Excluder 5 - WE 5 TF 159 MWTF

 

 

Verschillende merken Afstrijkers

MERK LOGO MERK NAAM TYPES MATERIAAL

FREUDENBERG SEALING TECHNOLOGIES PU 5, PU 6, PU 11, P 8, P 9, PT 1, PT 2, AUAS, AUPS, AS, ASOB, AUPS, AUASOB, P6, PU5, PU6, PU11, PT1, PT2, P8, P9, PRW 1 PU, Polyurethaan, Ptfe, NBR, Viton, HNBR, 95auv149, 95auv925, 95 auv 149, 95 auv 925, Disogrin

DICHTOMATIK AD 48 (AD48), AD 51 (AD51), AD 60 (AD60), ADM 55 (ADM55), AE 40 (A40), AE 41 (A41), AE 42 (A42), AE 47 (A47), AM 43 (AM43), AM 44 (AM44), AM 45 (AM45), AM 55 (AM55) NBR Rubber 90 30 06 (903006), Epdm, PUR TPU 95 34 01 (953401), Poly-urethaan, Ptfe, Teflon, Brons, Grafiet, Blauw, Zwart

ANGST EN PFISTER LWPU5C, LWPU6C, LWPU7C, LWPU8C, LWPT1C Nitrile NBR, PUR AU, Teflon Ptfe

BAL SEAL Serie 13, 14 UHMW PE, Ptfe, Glas Mos, Fiber Carbon, TA, G, GC, GFP, GFPM, GL, SP, UPC, FDA
  CLARON PWB, PWO, PWS, PWM, WM, PWE, CSW, CSWM, PMW, PFB, PFP, UPWM, PWD, EW, 931, 941, 951, PWH, PWN, PWC NBR 70 shore, NBR 90 shore, AU, Polyurethane

DICHTA DAS, DP6, DP7, DP8, DRS, DWR NBR, Polyurethaan, PUR, Polyester, Ptfe, Teflon, FKM, Viton

DLI SEALS B, MDK, ICL, MWM P, IWM, MWS, IWS, WRM, EWS NBR, TPU

ERIKS RX, EHD, MES, 930, 007F EMF, 008N, 007N EMN, 006P NBR, Viton, FKM, FPM, EPDM, PU, AU, Polyurethaan, Messing, RVS, Ptfe, Stainless Steel

EVCO 590, EPA, GHK, GHW, GPW, GPY, RCM Ptfe, PU, Polyurethaan, AU, NBR

GUARNITEC GHM, GHK, GHY, GHW, GPA, GHP, GPW, GHF, GGW AU, PU, NBR, Rubber Metaal

HALLITE Hydrauliek Type 38, 33, 520, 831, 834, 839, 842, 846, 860, 862 NBR, Polyurethaan, PUR, Polyester, Ptfe, Teflon, Rood, Blauw, Zwart

HECKER AB, ABR, ABP, ABR1, ABR2, ABR3, ABF1, ABF2, ABP1, ABP2, ABP3 Gummi, Rubber, NBR, Ptfe, PU, AU, Gi

HUNGER AI, AI-D, AIST, A-EIS, A-EIS-S, A-EIS-SL NBR, PU, Ptfe, POM, Kunststof, PA 6, PA-CF, UHMW PE, PEEK, Hytrel, MVQ, FPM, FMVQ

JAMERS WALKER Wiper L split, Wyclip Heavy Duty, Scraper W3 Lionsele NBR, Polyurethane, PU

JM CLIPPER SSW, P, H FPM, NBR

KACO QAN (NM), QHW (NGU VGF NGF VGFU), QHLH (VGU), QHLP (RGU), QFN (VG), QFS, QVN PVS (NF) NBR, ACM, VMQ, FKM, FPM

KASTAS K05, K06, K07, K09, K10, K11, K12, K27, K703, K30, K52 PU, NBR, Staal, Polyurethaan

NORDEX ARAN, AWSW, AWBB, AWSN PU, Polyurethane

PARKER A1, A2, AM, AH, AF, AY, A5, A6, A7, Y3, Y4, AD, AG, AT, W7 Poly-Pak, P5008, P5009, P6000, P5004, P5000, P5001, P5062, P5075, P5007, P5070, P5011, P5080, P5010, P5012, P4300, P5500, N3571, N3570, N3578, N3580, N3584, N3582, E3676, E8536, E8608, V3664, V3656, V3638, V3681 NBR, Polyurethaan, Viton, HNBR, Ptfe, FKM, FPM, Zwart, Bruin, Groen
POLILAS PT, PT1, PTM, PBT, PBT1, PBS, PTS, PTS1 NBR, AU, PU, Polyurethaan

POLYPAC WRM, WRMP, WRMC, WTF, DSR, DSR U UP, 10, DK, DSR/P, 10GA, GA P, GA R, NW, PPW, PWB, PW G U, SWP, UWR, UWR/P, UWR/PI, UWR/PN, WRM, WRM-H, WRM-P, WRM-PI, WRS, WTF, DR NBR, HNBR, MVQ, FPM, EPDM, Viton, Ptfe, PT01, PT, Polyurethaan, PUR, AU, HDPE, PA, PF, PBTP, PU02, PU05, PU08, PU10, PU12, PU14, PU20, PU21, PU22, PU23, PU25, PU26, PU27, PU30, PU40, Wit, Groen, Zwart, Bruin

SKF A01-A, A01-B, A02-A, A02-B, A02-I, A03-A, A04-A, A04-B, A07-A, A08-A, A-08-B, A09-A, A10A, A11-A, A11-I, A12-A, A13-A, A25-F, A26-F, A27-F Ecopur, H, G, T, X, S, XH, XS, Ecopur, TPU, CPU, NBR, HNBR, Groen, Rood, Blauw, Zwart, Grijs

TRELLEBORG Turcon wiper: Excluder 2, Excluder 5, Zurcon wiper: Excluder 500, DA22, DA24, ASW, WNE, WNV, WRM/PC, WP, Rubber/metal wiper: WRM/C-WSA, WRM, DA17, PTFE / TEFLON (TURCON): T01, T05, T10, T12, T16, T19, T24, T25, T29, T40, T42, T46, T47, T51, T52, T59, T78, T99, M12, Q2J, MO2, M83, PUR (ZURCON): Z201, UHMWPE (ZURCON): Z20, Z22, Z24, Z43, Z431, Z48, Z51, Z52, Z80 NBR, FKM, HNBR, EPDM, FFKM

Toepassing afstrijker?

Een afstrijker is toe te passen in een Hydrauliek cilinder, hydraulische cilinders, pneumatiek cilinder, pneumatische cilinders, stuur cilinder, enkel werkende landbouw cilinders, Veer cilinder, Suspension, Hydraulik, Pneumatik, dubbelwerkende onderwater cilinder, telescoop cilinder, telescoopcilinder, Hijskraan, Grondverzet, Graafmachine, Atlas, O&K, Neuson, Volvo, Fiat, Fuchs, Hitachi, JCB, Caterpillar.

 

Cilinder fabrieken:

Bosch Rexroth, ABS, Buter, Wassenaar, Uniparts Kavee, WDH, Montan, Evergreen, Vremac, Hänchen, Eaton, Hydrowa, Parker, Hydropa, Intergral, ASI, Staudt, Oudshoorn, Weber, Enerpac, A4, HyLu, Flexion, Festo, Parker, Norgren, Asco Joucomatic, Emerson, Norgren, Camozzi, Metal Work, SMC.

 

Alle afstrijker merken op een rij:

Hallite, Kaco, Trelleborg Busak – Shamban, Merkel, Polypac, Hunger, Evco, Dichtomatik, Hecker, Nordex, James Walker, JM Clipper, Balseal, Claron, Economos Seal Jet, Guarnitec, Parker Prädifa, Kastas, DLI, Angst & Pfister, Eriks, Sakagami, Poly-pak, Hegetu, Macma, Sealtech, NAK, Vota, Hercules, Ebele, Hercules, SKF CR Chicago Rawhide, Snijders, NOK, Advanced Products, Kimman, Dowty, Sealparts, Profiltra, Skega, Forsheda, Stefa, Polilas, Furon Saint Gobain, Sikkufit, MFC, DZ Ding Zing Seals.

 

Meer informatie of een offerte ? More information or a quote for:

hydrauliek, hydraulic, 水力, hydraulique,hydraulik, 油圧, hidráulica, idraulica, υδραυλικός, гидровлическо, Pneumatiek, Pneumatic, 氣動力學, pneumatique, 압축 공기를 넣은, pneumatisch, pneumatik, πνευματικός, pneumatico, 空気, пневматическо, neumático,wiper, scraper, afstrijker, schraper, abtreifer, cibler votre recherche, 防尘圈, スクレーパ, avskrapere, pierścienie zgarniające, rascadores, avstrykare, afstrygere, Dichting, afdichting, joint, dichtung, 封印, σφραγίδα, guarnizione, シール, 물개, уплотнение, sello, Seals.

Bekijk hier ook onze oliekeerringen.

 

Wij leveren elk merk afstrijkers in alle afmeting! … hebben wij hem niet op voorraad dan weten wij wel waar het wel op voorraad is, of komen met een voorstel voor een 100% alternatief!

We deliver worldwide each brand and size! If we do not have it on stock … we know were the stocks are or come with an 100% alternative!

wiper, scraper, afstrijker, schraper, abtreifer, cibler votre recherche, avskrapere, piercienie zgarniajce, rascadores, avstrykare, afstrygere, dichting, afdichting, joint, dichtung, σφραγδα, guarnizione en ook sello.

Bezoek onze website voor al onze afstrijkers en om een bestelling te plaatsen.

 


Bent u benieuwd welke Afstrijkers het meest geschikt zijn voor uw toepassing?

Ontvang persoonlijk advies of een offerte op maat van onze productspecialisten. Vul het formulier in en ontdek welke Afstrijkers het best aansluiten bij uw toepassing.